Pesquisar na Comunidade
Mostrando resultados para as tags ''rev:d''.
Foram encontrados 55 registros
-
 em análise Sony vaio vjf153f11x MB / da0hk9mb6d0 rev:d
Wilka Santos postou um tópico em Notebook's
tudo indica que sera a BIos, todos os testes.. alguem a bios? help- 6 respostas
-
- 1
-
-
estou com a placa na bancada e a situação dela é a seguinte: chegou sem ligar, em testes o PU7 pwm 3v/5v esta com defeito, troquei o mesmo agora a placa pisca os leds e sobe consumo de 0.400ma na fonte e morre rapidamente, reparei que ao plugar o jack de energia a PL11 e PL12 aparecem a tensão de 3v e 5v porem depois de alguns segundos essa tensão some. sei que a PL12 só fixa os 5v depois do start mais a PL11 de 3v fica morta. só tem tensão por alguns segundos. a Bios também aparece tensão na hora do start que está correto nessa placa. porem ela n fica 2 segundos com energia e morre. alguma ideia? esquema da placa:
- 10 respostas
-
- sony
- svf152c29x
-
(mais 3)
Tags:
-
 esquema Hp 246 g6 MODELO: 0P1B - DA0P1BMB6D0P1B REV:D
Celso Loponi postou um tópico em Pedidos de esquemas ou bios de notebooks.
Boa noite a todos, estou com um Hp Hp 246 g6 placa mae MODELO: 0P1B - DA0P1BMB6D0P1B REV:D , nao liga , tem led branco no dc jack quando esta com a bateria fica amarelo , ao a pertar o power acende o led do power e logo apaga, ventoinha não gira. carreador ok , 19,5V- 6 respostas
-
- modelo:
- 0da0p1bmb6d0p1b
- (mais 3)
-
 esquema Hp 246 g6 MODELO: 0P1B DA0P1BMB6D0P1B REV:D
Celso Loponi postou um tópico em Pedidos de esquemas ou bios de notebooks.
Bom dia pessoal ,por gentileza se possível gostaria do esquema dessa placa mãe notebook HP Hp 246 g6 / MODELO: 0P1B / DA0P1BMB6D0P1B / REV:D , vi que já deve um tópico sobre a mesma mas não consegui baixar , então abri esse tópico. -
 em análise LG P420 DA0QLCMB8D0 REV:D Imagem escura sem backlight
AlanSommer postou um tópico em Notebook's
Olá, estou com um problema em um Notebook LG P420, ele liga, da vídeo externo, mas a tela onboard não acende os LEDs para clarear a imagem, mas se for ver contra a luz, consigo ver as imagens. Já testei com outra tela e a mesma esta funcionando. A principio, tenho todas as tensões no LVDS1, e já fiz uns reparos na placa que estavam com defeito (R8 - aberto, C3 - em curto, e um resistor de 2.2 ohm "2R2" - não encontrei a identificação dele na placa, que estava aberto. ) Tem um outro tópico aberto com o mesmo defeito e mesmo modelo, que me ajudou nos diagnósticos até agora, mas agora já estou sem opções para onde ir. Tópico: https://eletronicabr.com/forums/topic/173122-lg-p420-mb-da0qlcmb8d0-dev-d-imagem-escura-sem-backlight/?tab=comments#comment-833612 -
 devolvido Acer Aspire 3 / MB DA0ZASMB8D0 Rev:D / Sem Video
sameshimao postou um tópico em Notebook's
Boa tarde a todos, estou com esse acer na bancada com seguinte defeito Não sobe Video tem todas as tensões, Ja regravei a bios no conector do Flat no Display, no pino 40 quanto eu plugo a fonte tem 5v, e vai caindo lentamente não fica 5v continuo gostaria se alguem tiver alguma dica para me passar desde já agradeço a todos -
 dúvida HP Split 13 X2 M210DX X2 MB DAW05DMB6D0 REV:D Extremamente lento
Abner Damião postou um tópico em Notebook's
Olá caros colegas. Recentemente recebi em minha assistência um HP Split 13 x2 Modelo M210DX X2 com placa mãe DAW05DMB6D0 REV:D. O cliente disse que o equipamento estava morto. Analisando o esquema elétrico identifiquei um curto-circuito no conversor buck responsável pela +5VS5, identificação PU7 (NB669). Substituí o componente danificado e a placa voltou a ter as tensões +3VS5 e +5VS5 e o restante das tensões normais. O notebook ligou, gerou imagem porém demorou muito para entrar no sistema. Muito mesmo. Fora que quando entrou estava completamente inutilizável por causa da lentidão extrema. Verifiquei que a FAN durante todo o uso está girando em sua capacidade máxima, fazendo muito barulho. Chequei o HWMonitor e lá informa que a CPU está sendo executada em 600Mhz (multiplicador travado em 6x), enquanto no gerenciador de tarefas do Windows diz que a frequência da CPU é de 0,10Ghz. Sintoma de superaquecimento, aparente throttling. Verifiquei as temperaturas do processador e estão dentro dos parâmetros. Chequei se o dissipador estava bem fixado e etc. Após isso decidi regravar a BIOS, não adiantou nada. Tentei várias versões e o problema persiste. Tentei testar com outra memória, com outro SSD, nada. Esgotaram as ideias. Algum de vocês já passou por um problema similar? o que vocês fizeram para resolver o problema? Obrigado antecipadamente pela atenção.- 2 respostas
-
 esquema acer aspire 3 A315-21 DAOZASMB8DO REV:D
diogenessant postou um tópico em Pedidos de esquemas ou bios de notebooks.
-
 em análise Dell Vostro 3460 - da0v08mb6d4 rev:d - Não Liga
Rafael Khawar postou um tópico em Notebook's
Bom dia amigos,. Esse notebook chegou com curto... PQ4 queimado e faltando trilha do pino 2 que faz ligação com PQ5 pino 3..Troquei o PQ4 e cabou o curto porém a placa não liga.. Queria saber se é válido eu fazer um jumper do PQ4 para o PQ5 pois está faltando trilha da ligação deles.. PQ4 = 3.5V nos 3 pinos PQ 5 = 3V nos 2 pinos pois o outro é terra Fiz algumas medições.. PL2 = 3V = Valor fixo de ambos os lados PL1 = 5V = pino 2..Valor fixo de 5v...Pino 1 ..Fica oscilando de 3v a 4.5v porém o outro lado fixa 5v fixo. PU 10 = Charger Pinos : 1 . 19v 2 19v 3 0v 4 0v Deve ser por causa da ligação com PQ4 , PQ5 esses pinos 3,4,5 5 0v 6 . 2.5v 10 - 0,75v 11 . 3.3v 18 . 2.5v Conto com a ajuda de vocês -
 devolvido sony vaio pcg-61611x placa daone7mb6d0 rev:d placa não liga
marcomance postou um tópico em Notebook's
boa tarde pessoal preciso de ajuda com essa placa . oque percebi foi que nio ci da bios o u27 não tem 3v mas quando eu retiro o ci pra gravar a bios os 3v aparece no local e ao ressoldar o ci no local os 3v some . não tem mais os 3v. oque poderia estar ocorrendo.- 20 respostas
-
 resolvido Acer E5-573G 58B7 - DA0ZRTMB6D0 Rev:D - Em curto +19V
Rods postou um tópico em Casos resolvidos - Notebooks
Essa maquina chegou desarmando a fonte. Na primeira analise, removi o PR203, que é o da foto e o curto esta depois dele. Injetei 10V com 1 A apenas ali no pad, e não encontrei ninguém esquentando por enquanto. Decici pedir uma ajuda, pois as vezes alguém ja pegou esse defeito e consegue me ajudar. Posso aumentar a tensão e a corrente devagar nesse ponto pra ver se alguem esquenta na placa? Vi algumas informações na net, alguns vídeos, mas sem solução. Acredito ser um bendito capacitor a linha +V in. Qualquer ajuda dos amigos é bem vinda. Esse é o esquema Esse o board view Segue a foto do PR 203 -
 devolvido Acer 4745z DA0ZQ1MB8D0 REV:D Desarmando a fonte quando liga
Denrlei machado da silva postou um tópico em Notebook's
Olá, bom dia pessoal! Estou com um notebook Acer. Ele chegou para mim com o PU7 (RT8206B) queimado, ou seja, tinha os 19V chegando nele mas não tinha as tensões de 3.3V e 5V. Troquei o PU e resolveu, as tensões de 3.3V e 5V voltaram. Mas agora a placa desarma a fonte toda vez que aperto o botão power. Eu coloquei a bateria, e ele carregou a bateria. Mas se eu tentar ligar a placa mãe apenas com a bateria conectada, ele pisca as luzes laranja (suponho que identifique que a bateria esteja descarregada). Mas se eu colocar a fonte externa, ele acende o LED azul (indicando que a bateria está carregada). Portanto, ele mantém a fonte ligada se estiver conectada na placa. Mas se eu tentar ligar, ele desarma a fonte. Na fonte assimétrica, indica curto quando tento ligar ele. Injetei tensão com a fonte assimétrica nas bobinas e não apresenta curto. Alguém pode me ajudar?- 12 respostas
-
- acer
- da0zq1mb8d0
- (mais 7)
-
 em análise LG LGS43 - DALG2CMB6D0 rev:D - Não liga
andersongomesrodriguesx postou um tópico em Notebook's
Estou com um notebook LG modelo LGS43 que nao liga. ao conectar a fonte ele acende um led e ao precionar o pwer ele nao liga. olhei pelo esquema eletrico e todas as tensões primarias estao presente. no super IO no pino 125 chega a tensão de 3v e ao precionar o botao de ligar esta tensão chega a zero e sobe novamente indicando que o botao de ligar esta ok so que nao liga. me tira uma duvida se o super IO esta sendo alimentado e ao conectar a fonte o led acende isso indica que ele esteja bom? e na placa tem duas bios o que faço regravo as duas com o mesmo arquivo? segue o link do esquema: -
 devolvido LG S460 - DALG2CMB6D0 REV:D - Não liga
Luiz Paulo Ferreira postou um tópico em Notebook's
Fala Pessoal, Boa Noite! Estou com uma máquina aqui que ta difícil de resolver... Ela acende o Led Power, ao apetar o start, a luz ao lado do botão pisca e apaga. Ela estava com a tensão oscilando na bios, regravei a e agora esta nessa situação. Ela carrega a bateria, porém não da start. Tenho as seguintes tensões: PQ3 = Ok, chaveando os 19v PQ2 = pino 1,2 e 3 19v. Pino 4 24v (acredito que aqui esta o problema, mas não sei de onde vem essa tensão). Pino 5.6.7 e 8 0v. (Obs: Quando fica mais de um dia sem ligar, ela parece que vai dar start, mas depois desliga...)- 54 respostas
-
- s460
- dalg2cmb6d0
-
(mais 2)
Tags:
-
Boa tarde pessoal. Estou com um Hp dv6 3090BR, estava com defeito de BGA. Fiz a desativação do chipset gráfico direto na placa removendo alguns componentes. Até então resolveu o problema e o notebook voltou a dar vídeo normalmente. Porém antes de parar de dar video novamente, a tela ficou tipo TV saindo do ar, deu tela branca e logo nao deu mais video, nem no monitor externo e nem na tela. Regravei algumas bios, porem sem sucesso. Tenho 1,5V nas memorias, tenho 0,989V na pl9 e pl10, tenho 3,3v na bios, processador aquece normalmente. Acende a luz branca no DC Jack, porem com aplaca ligada nao há resposta do teclado ao pressionar o numlok. Se tiverem alguma dica pra ajudar, agradeço.
- 7 respostas
-
- da0lx8mb6d1
- rev:d
-
(mais 1)
Tags:
-
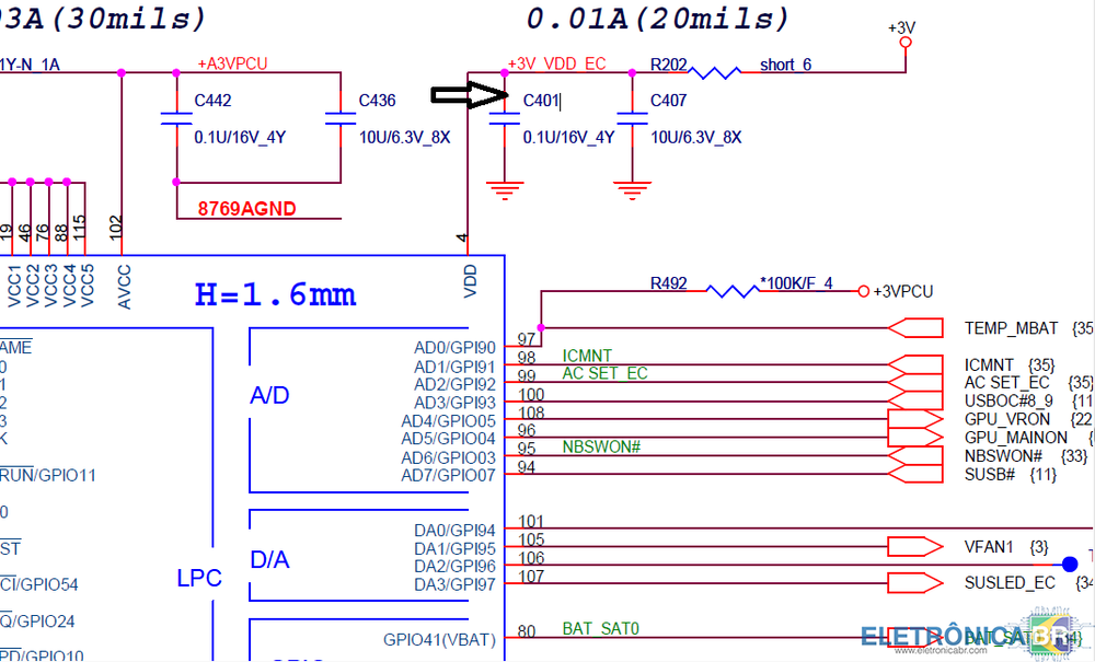
Estou com esse equipamento na bancada, apresentava um leve aquecimento no Super I/O, troquei o I/O ele voltou a dar imagem, ficou um tempo ligado, desliguei pra montar e ele parou de dar imagem de novo. Obs: Não sei interpretar esquema, estou aprendendo, mas pelo que entendo o componente C401 deveria ter 3v mas ele esta dando continuidade com aterramento nos dois lados no componente. Tirei esse componente e da a mesma continuidade com o aterramento nos pad's da placa, mas quando removi esse componente ele voltou a ligar, fiz o teste de desligar e ligar de novo e parou de novo. Voltei o componente e ele ligou, fiz o mesmo teste de desligar e ligar de novo e não deu imagem de novo. Ou seja esta intercalando esse problema. O que fiz: Atualizei a Bios e troquei o I/O Outra observação, esse pc estava em outra assistência e o cliente disse que foi feito aquecimento da placa mãe com soprador térmico pq estava com esse mesmo problema de hora liga, hora não liga.
-
 resolvido Notebook Dell XPS 15 L502X placa mãe DAGM6CMB8D0 REV:D em curto
Ruy Rodrigues postou um tópico em Casos resolvidos - Notebooks
Boa tarde, estou com a placa na bancada , aonde o componente 6629az esquentando, não tenho outro para a troca, mais acabei achando um tópico no forum, falando que o 4407a o substituiria. Pois bem, substitui e mesmo assim continua aquecendo, alguem para dar uma dica ? -
 resolvido Sony Vaio SVF152C29X - Placa: DA0HK9MB6D0 Rev:D Não Liga
gianmarcos postou um tópico em Casos resolvidos - Notebooks
Boa tarde pessoal, entrou hoje na assistência este notebook do título, fonte ok, a única tensão que encontro na placa é 19v até o pq35, na placa tenho 2 bobinas e os componentes próximos, mosfets e capacitores dando continuidade com o terra, PL7 e PL10, VCC_CORE e VCC_GFX, a minha dúvida é se isso já é um grande indício de problema no processador, ou se posso tentar injetar tensão em algum ponto para tentar ver se esquenta algum componente ou o próprio processador. Obrigado.- 21 respostas
-
 em análise netebook positivo sim+ 4000 placa mae DAOUW2MB6DO REV:D nao liga
flaviosilvapereira postou um tópico em Notebook's
estou com essa placa galera DAOUW2MB6D0 REV D que nao liga.so pisca o led da bateria tres vezes ao apertar o power a tensão nas bobinas esta normal 5v e 3,3v -
 bios hp g61 placa mae DA00P6MB6D0 REV:D
Robertorbt postou um tópico em Pedidos de esquemas ou bios de notebooks.
ola amigos estou precisando desse arquivo da bios , baixei uma aqui mas nao deu certo . obrigado e bom dia a todos amigos- 6 respostas
-
- placa
- da00p6mb6d0
-
(mais 1)
Tags:
-
 resolvido HP G246 G6 DA0P1BMB6D0 rev:d nao liga
NotebookCenter82 postou um tópico em Casos resolvidos - Notebooks
aparelho chegou na bancada, não apresenta os 3v na bios, recebe alimentação 19.5v porém não acende nenhum led e não liga.- 19 respostas
-
- g246
- da0p1bmb6d0
-
(mais 2)
Tags:
-
 resolvido HP 15-CC504LA - MB: DAG71AMB8D0 REV:D - Liga e desliga após 5 segundos.
buana postou um tópico em Casos resolvidos - Notebooks
HP 15-CC504LA MB: DAG71AMB8D0 REV:D . Liga e desliga após 5 segundos. Tensão Vin +19,5V, bom em todo o circuito. Eu não tenho +3valw ou +5valw quando está no S5, mostra no pouco tempo que está ligado e curto. Injetei tensão com a fonte sem resultado. Com a câmera térmica você não vê o aquecimento dos componentes. Agradeço qualquer ajuda. Saudações.- 7 respostas
-
- 15-cc504la
- dag71amb8d0
- (mais 5)
-
 em análise Sony Vaio SVF152c29x - DA0HK9MB6D0 REV:D - não carrega bateria
NotebookCenter82 postou um tópico em Notebook's
Aparelho reconhece bateria mas não carrega. Tensões conector sem bateria 1-0,01 2-0,00 3-3,29 4-3,29 5-3,21 6-0,00 7-0,00 -
 devolvido Sony Vaio SVF152C29X - DA0HK9MB6D0 REV:D - ao pressionar power o LED acende, tirando o dedo do power o led apaga
Antonio vm postou um tópico em Notebook's
ola amigos estou com esta placa quando aperto no power o led verde acendo, e continua com o dedo pressionado, pos tirar o dedo a placa o led se apaga -
necessito do esquema e boardviwer, HP 15-dy0013dx da00p5mb6d0 REV:D agradeço!!! não acendia nenhum led, fiz medições e não estava se fazendo presente os 19v após os mosfet de entrada, consegui o datasheet do chager (bq728h não o dele em especifico mas deu certo hehe) e vi que uma tensão de 5v do regulador interno dele não estava presente(tinha por volta de 1.5v) injetei os 5v e passou aligar (heheheh não tinha curto ou ruma resistência muito baixa) agora equipamento está se reiniciando, aparece as tensões 3v,5v, 1v (próximo ao processador/pch essa fonte está) agora está dificil prosseguir no escuro sem esquema e o boardviwer(placa não tem caligrafia alguma). devolvendo ele sem reparo!
- 1 resposta
-
- 15-dy0013dx
- da00p5mb6d0
-
(mais 2)
Tags:
SOBRE O ELETRÔNICABR
Técnico sem o EletrônicaBR não é um técnico completo! Leia Mais...
